teräväkärkinen ketju kosteisiin ja pölyisiin ympäristöihin

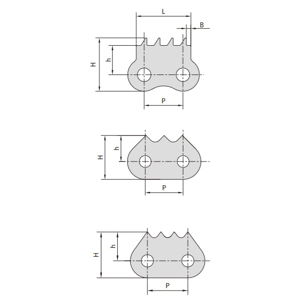
Teräväkärkinen ketju on eräänlainen voimansiirtoketju, jonka rakenne koostuu vuorotellen asennetuista hammasketjulevyistä ja ohjauslevyistä, jotka on yhdistetty toisiinsa tapilla tai nivelletyillä elementeillä, jolloin vierekkäiset hammasvälit ovat saranoituja liitoksia.

Kuvaus

Ohjaus tyypin mukaan luokiteltu hammasketju sisältää ulkoisen ohjaushammasketjun, sisäisen ohjaushammasketjun ja kaksinkertaisen sisäisen ohjaushammasketjun. Tämä ketjuvaihteisto hyödyntää ketjun ja hammaspyörän hampaiden tarkkaa kiinnittymistä voiman ja liikkeen siirtämiseen, mikä takaa tarkan keskimääräisen välityssuhteen.

Edut

  • Suuri voimansiirto ja vahva ylikuormituskapasiteetti
  • Kompakti voimansiirron koko samoissa käyttöolosuhteissa
  • Vaatii vähemmän kiristysvoimaa
  • Toimii luotettavasti vaativissa olosuhteissa, kuten korkeassa lämpötilassa, kosteudessa, pölyssä ja saasteissa

Haitat

  • Korkeammat kustannukset verrattuna muihin ketjutyyppeihin
  • Alttiina kulumiselle ja venymiselle
  • Huono voimansiirron sujuvuus, lisädynaaminen kuormitus, tärinä, iskut ja melu käytön aikana
  • Ei sovellu nopeisiin suunnanvaihtosovelluksiin

Yhteenvetona voidaan todeta, että kärkiketjut ovat ihanteellisia sovelluksiin, joissa tarvitaan suurta voimansiirtoa vaativissa ympäristöissä, mutta ne eivät välttämättä sovellu tehtäviin, joissa tarvitaan usein nopeita suunnanmuutoksia tai minimaalisia melu- ja tärinävaikutuksia.

Tekniset parametrit

teräväkärkinen ketjutekninen pöytä

teräväkärkinen ketjutekninen pöytä