Kapeneva lukitusholkkihammaspyörätarjoaa vankan mekaanisen puristussovituksen hammaspyörän navan ja akselin välillä, mikä takaa vahvan ja luotettavan liitoksen sujuvaa ja tehokasta voimansiirtoa varten. Tämä rakenne minimoi energianhävikin ja parantaa järjestelmän kokonaistehokkuutta.
Tärkeimmät ominaisuudet
- Mekaaninen puristusliitos:Yhdistää hammaspyörän navan ja akselin turvallisesti, mikä takaa erinomaisen luotettavuuden ja vähentää luistamista.
- Tehokas voimansiirto:Tarkka hammastuksen muotoilu takaa sujuvan toiminnan ja vähentää kitkaa ja melua.
- Pitkä käyttöikä:Kestävät materiaalit ja rakenne pidentävät hammaspyörien ja ketjujen käyttöikää, mikä minimoi seisokkiajat ja huoltokustannukset.
- Materiaalivaihtoehdot:
- C45-teräs:Tasapainottaa lujuuden ja taloudellisuuden yleiskäyttöön.
- Ruostumaton teräs:Erinomainen korroosionkestävyys – ihanteellinen vaativiin olosuhteisiin.
- Karkaistu teräs:Lämpökäsitelty parannetun kulutuskestävyyden ja kestävyyden takaamiseksi.
- Vähentynyt huoltotarve:Vähemmän vaihdettavia osia, mikä alentaa kokonaiskäyttökustannuksia.
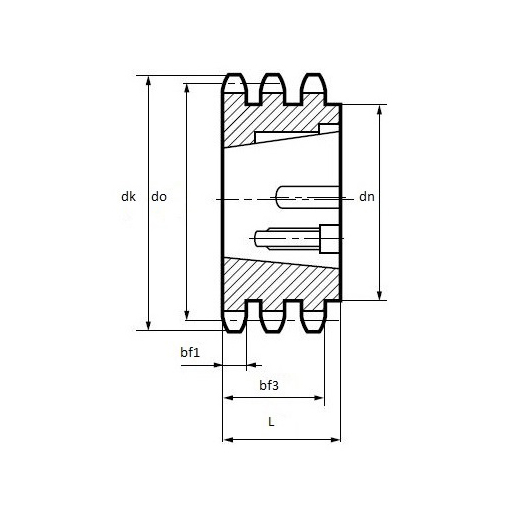
Tekniset tiedot
- ISO-numero:16B-3 (1″ x 17,02 mm)
- Kohdistus:25,4 mm
- Sisäleveys:17,02 mm
- Rullan halkaisija:15,88 mm
- Hampaan leveys:79,6 mm
- Ba:2,5 mm (säteen leveys)
- Rx:26,0 mm (min. hampaan säde)
Edut
- Vahva ja luotettava liitos korkean suorituskyvyn järjestelmille
- Vähentynyt kitka ja melu takaavat sujuvamman toiminnan
- Pidennetty käyttöikä ja pienemmät huoltokustannukset
- Monipuoliset materiaalivaihtoehdot erilaisiin ympäristöihin
Valitse kartiomainen lukitusholkkipyörä, joka tarjoaa erinomaisen kestävyyden, tehokkaan voimansiirron ja vähäisen huoltotarpeen vaativissa sovelluksissa.